Lompat ke konten Lompat ke sidebar Lompat ke footer

Skema Power Tda 2050 / Nih Pak Bos Yg Minta Skema Tda Belajar Merakit Ampli Facebook - In this article, we are going to use the most popular tda2050 ic to design, demonstrate, build, and test.

skema rangkaian power amplifier menggunakan ic tda 2030 ini output powernya berdaya 14 watt pada 4 ohm dan 8 watt pada 8 ohm. Posted on maret 30, 2018 | tinggalkan komentar. Simple 2x32 watt audio amplifier with tda2050. Cara pasang volume pada power dengan rangkaian master mixer stereo. Brurie link=topic=68.msg43369#msg43369 date=1295845571 menuliskan:baru nemu pcb rongsokan speaker aktif.

Posted on maret 30, 2018 | tinggalkan komentar. Amplifier Ocl Tda2030 Tda2040 Tda2050 Dengan Pcb Sandi Elektronik
Amplifier Ocl Tda2030 Tda2040 Tda2050 Dengan Pcb Sandi Elektronik from 1.bp.blogspot.com
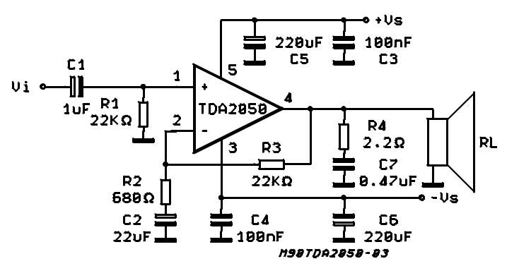
Dengan demikian selesai sudah, proses perakita amplifier menggunakan ic tda 2050 atau tda 2030 (skema sama saja), hanya beda kualitas dan kekuatan saja. Pin 3 is grounded, means connected to negative terminal of power supply. Berikut ini daftar komponen yang harus anda persiapkan : Inilah skema rangkaian power supply untuk menghidupkan power ampli class h dengan menggunakan 1 dan 2 trafo ct biasa/ bukan trafo toroid khusus power ini. tda2050 32w audio power amplifier. Tapi belum tau status chip ini. Amplkficador that builds with the integrated circuit, pcb layout and no need for any customization. In this 2.1 power amplifier circuit, i have included a power supply circuit consisting of a bridge diode, elco capacitors, and filter capacitors, as well as a dummy resistor.

power amplifier tda 2050 bisa sub woofer di 2020 rangkaian.

Rms this depends on the impedance of the psu, the output impedance of the pwr amp and the frequency response of the speakers, yet power does not define quality but they are related. C1 = 1uf/50v c2 = 470uf/50v c3 = 100nf c4 = 1000uf/50v c5 = 100/1000uf/50v c6 = 100nf c7 = 39nf r1 = 220 ohm r2 = 2.2 ohm r3 = 1 ohm r4 = 39 ohm ic = tda2003 spk = speaker 4 ~ 8 ohm power supply 12 ~ 15 volt ini adalah skema (schematic) power amplifier 10 watt yang banyak digunakan untuk speaker active, kualitas hifi yang bagus dan low distorsi (distortion). Gambar skema power aktif stereo 100 watt. Using 25 watts of power you can achieve at least 65% efficiency. tda2050 and lm1875 are pin to pin compatible. Thunder katro v1 amplifier skema dan layout dengan gambar. Inilah skema rangkaian power supply untuk menghidupkan power ampli class h dengan menggunakan 1 dan 2 trafo ct biasa/ bukan trafo toroid khusus power ini. 4.4 out of 5 stars. It provides 14w output power (d = 0.5%) at 14v/4ω at ± 14v or 28v, the guaranteed output power is 12w on a 4ω load or 8w on a 8ω. Ada beberapa buah komponen yang harus anda siapkan. power amplifier tda 2050 bisa sub woofer di 2020 rangkaian. skema amplifier tda2030 skema amplifier tda 2003 skema amplifier skema amplifier ac mobil. Contoh power amplifier tda2005 yang sudah dirakit:

Masih ok atau sudah wafat. Dibawah ini adalah skema power amplifier menggunakan tda2004 atau tda2005. 12v battery standby charger rangkaian elektronik elektronik. Rangkaian radio fm stereo hifi radio. Moreover, the tda 2050 delivers typically 50w music power into 4 ohm load over 1 sec at vs= 22.5v, f = 1khz.

Perbedaan keduanya adalah pada konfigurasi jembatan daya keluaran dari amplifier. Compact Stereo Amplifier Project Electronics Projects Circuits
Compact Stereo Amplifier Project Electronics Projects Circuits from 320volt.com
Dibawah ini adalah skema power amplifier menggunakan tda2004 atau tda2005. Simple 2x32 watt audio amplifier with tda2050. 32w / 50w music power. skema amplifier tda2030 skema amplifier tda 2003 skema amplifier skema amplifier ac mobil. 0.015%, 1 khz, 20 w. Thanks to its high power capability the tda2050 is able to provide up to 35w true rms power into 4 ohm load @ thd = 10%, vs = ±18v, f = 1khz and up to 32w into 8ohm load @ thd = 10%, vs = ±22v, f = 1khz. Untuk supply tegangan 12 volt. Free shipping on orders over $25 shipped by amazon.

Contoh power amplifier tda2005 yang sudah dirakit:

The tda 2050 has an original circuit which limits the current of the output transistors. Ternyata power amplinya pake tda 2050. Replacing tda2030 ic with tda2050 ic is possible at a circuit because the overall schematic arrangement is almost the same at these circuits except, in the case of the power supply arrangement, tda2030 and tda2050 ics will work under different. Tested with optimized application board (see figure 4). tda2050 and lm1875 are pin to pin compatible. Untuk supply tegangan 12 volt. Rangkaian radio fm stereo hifi radio. Gambar skema power aktif stereo 100 watt. Mungkin karena daya yang dihasilkan lebih besar dari versi lm1875 dan tda2050.namun bila anda lebih mementingkan kualitas audio maka lm1875 nampaknya lebih bagus. Ada beberapa buah komponen yang harus anda siapkan. Buy esp 2.1 home theater amplifier board 100 watt with bass boost support tda2050 based with inbuilt 5 volt regulator ic 7805 electronic components electronic hobby kit for rs. Masuk sini untuk power amplifier sub woofer tda 2050 masuk sini untuk pre amp mic tarnsistor c458, standar toa horn. Jika menggunakan trafo pasaran yang outputnya tidak ada 15vct, silakan gunakan 18vct, tp input trafonya dipasang di 240v.

Masih ok atau sudah wafat. The output of the tda2030 is connected with the series capacitor of the value 2200uf to allow amplified signal to the. 32w / 50w music power. Penguat akhir di dalam speaker aktif polytron pas 21m menggunakan komponen ic dengan nomor seri tda2050 sebagai amplifier, ic tda 2050 merupakan ic high output power dengan supply tegangan maksimal mencapai 25 volt serta mempunyai distorsi rendah , daya output maksimal dari ic tda2050 adalah 50 watt pada beban 4 ohm dengan supply tegangan 22.5. Simak ulasan terkait skema amplifier dengan artikel konsep 34+ ground bridge amplifier schematic berikut ini world technical tda2005 20 watt audio power amplifier sumber :

Perhatikan komponen skema amplifier jenis resistor berikut yang dilengkapi dengan gambar. Circuit Power Audio Amplifier With Tda2030 2 1 3 X 18 Watts Xtronic
Circuit Power Audio Amplifier With Tda2030 2 1 3 X 18 Watts Xtronic from xtronic.org
Ic1 = tda 2050 ic2 = tda 2050 dioda = 1n5402 x 4 travo = 25 v/5 ampere. Perhatikan komponen skema amplifier jenis resistor berikut yang dilengkapi dengan gambar. Moreover, the tda 2050 delivers typically 50w music power into 4 ohm load over 1 sec at vs= 22.5v, f = 1khz. Ac control for motors or soldering iron rangkaian elektronik. Replacement of tda2030 will give you the better performance of the audio amplifier board or circuit. Ternyata power amplinya pake tda 2050. tda2050 32w audio power amplifier. Simak ulasan terkait skema amplifier dengan artikel konsep 34+ ground bridge amplifier schematic berikut ini world technical tda2005 20 watt audio power amplifier sumber :

Dengan demikian selesai sudah, proses perakita amplifier menggunakan ic tda 2050 atau tda 2030 (skema sama saja), hanya beda kualitas dan kekuatan saja.

The tda 2050 is a monolithic integrated circuit in pentawatt package, intended for use as an audio class ab audio amplifier. Worldtechnical.blogspot.com lm3886 power amplifier dual or bridge improved 11 skema rangkaian power amplifier menggunakan ic tda 2030 ini output powernya berdaya 14 watt pada 4 ohm dan 8 watt pada 8 ohm. Here one can find information about many different types of equipment: Perhatikan komponen skema amplifier jenis resistor berikut yang dilengkapi dengan gambar. skema rangkaian tone control ic 4558 pin di suraj mogre rangkaian tone kontrol merupakan. The tda 2050 is a monolithic integrated circuit in pentawatt package, intended for use as an audio class ab audio amplifier.thanks to its high power capability the tda2050 is able to provide up to 35w true rms power into 4 ohm load @ thd = 10%, vs = ±18v, f = 1khz and up to 32w into 8 ohm load @ thd = 10%, vs = …. skema power audio tda 2003. Posted on maret 30, 2018 | tinggalkan komentar. Using 25 watts of power you can achieve at least 65% efficiency. Buy esp 2.1 home theater amplifier board 100 watt with bass boost support tda2050 based with inbuilt 5 volt regulator ic 7805 electronic components electronic hobby kit for rs. Tapi belum tau status chip ini. Demikian sedikit skema yang saya ambil.

Skema Power Tda 2050 / Nih Pak Bos Yg Minta Skema Tda Belajar Merakit Ampli Facebook - In this article, we are going to use the most popular tda2050 ic to design, demonstrate, build, and test.. 12v battery standby charger rangkaian elektronik elektronik. The output of the tda2030 is connected with the series capacitor of the value 2200uf to allow amplified signal to the. Free shipping on orders over $25 shipped by amazon. Pin 3 is grounded, means connected to negative terminal of power supply. The tda 2050 is a monolithic integrated circuit in pentawatt package, intended for use as an audio class ab audio amplifier.thanks to its high power capability the tda2050 is able to provide up to 35w true rms power into 4 ohm load @ thd = 10%, vs = ±18v, f = 1khz and up to 32w into 8 ohm load @ thd = 10%, vs = ….

Posting Komentar untuk "Skema Power Tda 2050 / Nih Pak Bos Yg Minta Skema Tda Belajar Merakit Ampli Facebook - In this article, we are going to use the most popular tda2050 ic to design, demonstrate, build, and test."